PIECE CASSÉE GS 300 . BESOIN D'AIDE POUR LA
Sujet
bonjour à tous je viens d'acheter il y a 2 semaines une gs 300 pour 625 euro et elle avait du mal a ce lancer a bas et moyen régime et je suis presque certain que c'etait mon puit d'aiguille ( il etait marquer : voir photo )
j'ai voulu enlever lle puit d'aiguille et bim la piece c'est cassée .
Je recherche donc cette piece mais je déprime car meme ktm me remballe :'(
le seul nom que j'ai trouver pour cette piece est : capotage de gicleur
ma ktm est une gs de 1992 et le carbu j'hesite entre le pj 38 et le pwk 39
Merci enormement d'avance à tous ceux qui pourront m'aider car la je suis vraiment bloqué et voir ma ktm comme ca , ca me fais mal .
Laurent
j'ai voulu enlever lle puit d'aiguille et bim la piece c'est cassée .
Je recherche donc cette piece mais je déprime car meme ktm me remballe :'(
le seul nom que j'ai trouver pour cette piece est : capotage de gicleur
ma ktm est une gs de 1992 et le carbu j'hesite entre le pj 38 et le pwk 39
Merci enormement d'avance à tous ceux qui pourront m'aider car la je suis vraiment bloqué et voir ma ktm comme ca , ca me fais mal .
Laurent
Moto(s) : ktm gs 300
Bonjour,
ton carbu es un pwk39 d'aprés mes doc.
cette piece est "soit disant" non démontable et donc non vendue par KTM ! lol
Ce serait cette réf: 54531674000 (chez ktm)
donnes cette ref cher ktm pour voir.....sinon je l'ai vu pour 7$ sur google (tape ktm 54531674000).
cherches aussi des revendeurs keihin voir meme ktm klassiker ???
(ktm te dise que ce n'est pas démontable (7$) et qu'il faut changer le carbu....ben vi ! )
ps: fais gaffe !! y a une grenouille qui mate !
ton carbu es un pwk39 d'aprés mes doc.
cette piece est "soit disant" non démontable et donc non vendue par KTM ! lol
Ce serait cette réf: 54531674000 (chez ktm)
donnes cette ref cher ktm pour voir.....sinon je l'ai vu pour 7$ sur google (tape ktm 54531674000).
cherches aussi des revendeurs keihin voir meme ktm klassiker ???
(ktm te dise que ce n'est pas démontable (7$) et qu'il faut changer le carbu....ben vi ! )
ps: fais gaffe !! y a une grenouille qui mate !
houla !! j'ai un gros doute avec mes doc....
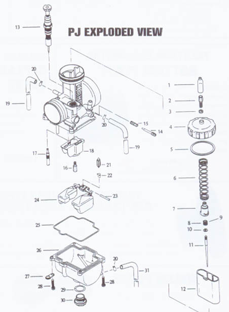
la ref. que je viens de te donner "serait" pour un pj 38 ?????? (piece 18)
PJ38
PWK39
sinon soudure a froid ? mastic alu ?
la ref. que je viens de te donner "serait" pour un pj 38 ?????? (piece 18)
PJ38
PWK39
sinon soudure a froid ? mastic alu ?
Merci oli
La forme de mon boiseau est la forme du pwk 39
Pareil que toi je suis perturbé car j'ai aussi les fiches technique de cette moto .
Ma moto est de 1992 et la doc me dit que ca devrait etre PJ 38 ; a ce moment je voi la piece 18 sur le scheme et ces celle qui me faut .
Mais le pwk 39 est plus proche de celui que j'ai sur ma moto mais a ce moment la je n'ai plus la piece qui apparait .
Sur les photo ci-dessous j'ai perdu la vis de réglage de régime de ralenti ( numéro 29 sur le pwk 39)
Je suis perdu seait-ce un pwk 38,5 ??
Et j'ai eu de la chance j'ai attrapé le grenouille avant qu'elle ne saute :D
La forme de mon boiseau est la forme du pwk 39
Pareil que toi je suis perturbé car j'ai aussi les fiches technique de cette moto .
Ma moto est de 1992 et la doc me dit que ca devrait etre PJ 38 ; a ce moment je voi la piece 18 sur le scheme et ces celle qui me faut .
Mais le pwk 39 est plus proche de celui que j'ai sur ma moto mais a ce moment la je n'ai plus la piece qui apparait .
Sur les photo ci-dessous j'ai perdu la vis de réglage de régime de ralenti ( numéro 29 sur le pwk 39)
Je suis perdu seait-ce un pwk 38,5 ??
Et j'ai eu de la chance j'ai attrapé le grenouille avant qu'elle ne saute :D
Moto(s) : ktm gs 300
pfeu !!!! de toute façon la grenouille elle ronflait alors !!!!!!!
Sur mes doc, le pJ38 est pour les usa ! La france ce serait le pwk39.....et vu ton boisseau, tu aurais bien un pwk39 ! a vu de nez c'est ça !
(comme moi) donc cette fameuse piece n'est pas listée donc non commandable je pense....
je l'avais également démonter pour changer les mini joints toriques (avec une clé torx de sécurité)
bref, là je pense qui faut voir du côté de la soluce soudure a froid alu ou mastic alu !!!????? résistant a l'essence.
Attend d'autre avis, les pointures de la restauration vont surement passer.
Sur mes doc, le pJ38 est pour les usa ! La france ce serait le pwk39.....et vu ton boisseau, tu aurais bien un pwk39 ! a vu de nez c'est ça !
(comme moi) donc cette fameuse piece n'est pas listée donc non commandable je pense....
je l'avais également démonter pour changer les mini joints toriques (avec une clé torx de sécurité)
bref, là je pense qui faut voir du côté de la soluce soudure a froid alu ou mastic alu !!!????? résistant a l'essence.
Attend d'autre avis, les pointures de la restauration vont surement passer.
c'est ton jour de chance?
oublie la réparation soudure à froid dans ce milieu hostile trempé de carburant.
leboncoin est ton ami
www.leboncoin.fr/equipement_moto/437860280...
oublie la réparation soudure à froid dans ce milieu hostile trempé de carburant.
leboncoin est ton ami
www.leboncoin.fr/equipement_moto/437860280...
Si vous me cherchez, je suis là, avant ma traceMoto(s) : 127 cc sapetoku
sinon pour être certain, si tu as les doc, compares ta config. carbu avec ! (gicleur, aiguille, etc...) là tu sera fixé..
pour moi tu a un pwk39 (99.9%) mais bon !
pour moi tu a un pwk39 (99.9%) mais bon !
merci pour toute vos info
oli : les soudure ne servirait a rien car je l'ai cassez en essayant de retirer le puit d'aiguille car il est fissurer et a cause de ca il est est beacoup trop riche . Je vais essayer l'achat sniff
Merci beaucoup à vous tous
oli : les soudure ne servirait a rien car je l'ai cassez en essayant de retirer le puit d'aiguille car il est fissurer et a cause de ca il est est beacoup trop riche . Je vais essayer l'achat sniff
Merci beaucoup à vous tous
Moto(s) : ktm gs 300
Et chez keihin???
Moto(s) : ktm 300 exc 2020
je ne trouve rien d'autre . Tenez moi au courant si vous avez d'autre solution mais merci beaucoup pour vos idées deja
Moto(s) : ktm gs 300
bin achete un pj 38 www.ebay.fr/itm/CARBURATORE-KEIHIN-KEHIN-K...
moi je dirais que le pwk39 est top ! d'aprés ce que j'ai lu...
Là si tu peux mettre les sous sur l'annonce ci dessus....c'est géant !!!!!
a l'époque quand j'en cherché un, 150roro c'était pour de l'occas !!!!!
Donc si c'est un vrai Keihin neuf........fonces !!
Bon courage.
Là si tu peux mettre les sous sur l'annonce ci dessus....c'est géant !!!!!
a l'époque quand j'en cherché un, 150roro c'était pour de l'occas !!!!!
Donc si c'est un vrai Keihin neuf........fonces !!
Bon courage.
essais aussi la casse MAGNY MOTO..(dans le 25 je crois)
c'est un anglais qui tient une casse de moto TT
trés pro et sérieux et il envois partout (avec un peu de chance il aurait peut être un bout de carbu pour te dépanner ???)
c'est un anglais qui tient une casse de moto TT
trés pro et sérieux et il envois partout (avec un peu de chance il aurait peut être un bout de carbu pour te dépanner ???)
Je vais en profiter pour acheter un 40,5 :D
Moto(s) : ktm gs 300
Magny moto c est dans le 21, côte d or, a côté de Dijon
Moto(s) : ktm 300 exc 2020
Ce sujet ne contient pas encore de vidéo







