QUESTION TECHNIQUE 80/81
Sujet
Bonsoir les spécialistes,
Les pipes d'admission ( et les clapets ), ainsi que la pipe d'échappement, sont ils les mêmes sur les modèles 125 MC ou GS de 1980 ( air ) que sur les LC 125 de 1981 / 1982. ( Cylindre eau avec ailettes courtes ).
Merci d'avance.
Les pipes d'admission ( et les clapets ), ainsi que la pipe d'échappement, sont ils les mêmes sur les modèles 125 MC ou GS de 1980 ( air ) que sur les LC 125 de 1981 / 1982. ( Cylindre eau avec ailettes courtes ).
Merci d'avance.
🤔 🤔 🤔 aucune idée tiens!!! je regarderai mes part list....dans la semaine
ALLES ERDREICH IST ÖSTERREICH UNTERTAN
===============================
Il est beaucoup plus intéressant de regarder où l'on ne va pas pour la bonne raison que, là où l'on va, il sera toujours temps d'y regarder quand on y sera.
===============================================Moto(s) : Royal Enfile turboD
Ha, un sauveur.
Je recherche désespérément une part list PARTIE CYCLE ( et non moteur comme dans le message initial, désolé ) de KTM LC 1981/1982 ( premiers liquides avec petites ailettes ).
Si tu as ça , ou si une bonne ame a ça, en copie papier, ou mieux encore, en scan Pdf, je suis prêt à t'assurer de ma reconnaissance éternelle, te coucher sur mon testament ( mais que sur mon testament. D'ailleurs, je n'ai que des dettes de jeu et de bar ), t'ériger une statue au somment du corbeau mort, donner ton nom à mon prochain bateau, me laisser aller à des excès sexuels auxquels je n'aurais même pas pensé hier encore, bref, tes conditions seront les miennes.
Je suis également preneur de la même chose pour un modèle 80.
Enzodiablo.
Je recherche désespérément une part list PARTIE CYCLE ( et non moteur comme dans le message initial, désolé ) de KTM LC 1981/1982 ( premiers liquides avec petites ailettes ).
Si tu as ça , ou si une bonne ame a ça, en copie papier, ou mieux encore, en scan Pdf, je suis prêt à t'assurer de ma reconnaissance éternelle, te coucher sur mon testament ( mais que sur mon testament. D'ailleurs, je n'ai que des dettes de jeu et de bar ), t'ériger une statue au somment du corbeau mort, donner ton nom à mon prochain bateau, me laisser aller à des excès sexuels auxquels je n'aurais même pas pensé hier encore, bref, tes conditions seront les miennes.
Je suis également preneur de la même chose pour un modèle 80.
Enzodiablo.
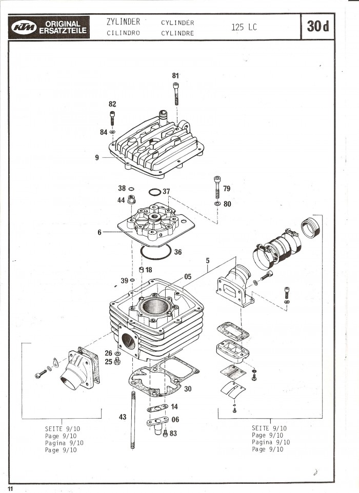
Salut , je peux t'aider peut etre , voila un apercu de ce que tu cherches ,il me semble
Un de plus à coucher (sur le testament )
😂 😂 😂 😂 😂 😂 😂 😂 😂 😂 😂 😂
Un de plus à coucher (sur le testament )
😂 😂 😂 😂 😂 😂 😂 😂 😂 😂 😂 😂
Merci beaucoup, Stross 43, mais j'ai déjà ces deux manuels.
Je recherche en fait, contrairement à ce que j'ai demandé dans le premier message ( l'abus de Coca light certainement ) la part list partie cycle] de la 125 cross 1981 liquide ou 125 cross/enduro 1982.
Je n'ai jamais trouvé ces manuels, et donc ne suis pas certain qu'ils existent.
Désolé de l'erreur initiale.
Je copierai 200 fois le nom complet et l'adresse de KTM en prussien d'époque en pénitence.
Je recherche en fait, contrairement à ce que j'ai demandé dans le premier message ( l'abus de Coca light certainement ) la part list partie cycle] de la 125 cross 1981 liquide ou 125 cross/enduro 1982.
Je n'ai jamais trouvé ces manuels, et donc ne suis pas certain qu'ils existent.
Désolé de l'erreur initiale.
Je copierai 200 fois le nom complet et l'adresse de KTM en prussien d'époque en pénitence.
C'est bien ce qui me faisait tiquer Alain car ces manuels que notre ami met en ligne tu me les avais transmis 😳
L'abus de soleil et l'absence de boissons réfrigérantes à mon goût auront eu raison de moi. Vlatipas que je commence à gatouiller !!!
ah bah nan, j'étais plein d'espoir pour te dépanner, mais là...j'ai pas les part list des liquides phase1. J'ai le RV à air80/81 , le GSPL 83 mais rien en 82 à part le part list moteur qui montre les pipes admission et clapets avec les mêmes références...
Désolé Alain
Désolé Alain
ALLES ERDREICH IST ÖSTERREICH UNTERTAN
===============================
Il est beaucoup plus intéressant de regarder où l'on ne va pas pour la bonne raison que, là où l'on va, il sera toujours temps d'y regarder quand on y sera.
===============================================Moto(s) : Royal Enfile turboD
slt, je viens d envoyer un ml pour ta part list , des reception je te le transmets
pour la punition ,tu t occuperas de flamby( allez faire les courses ) lol
phil
pour la punition ,tu t occuperas de flamby( allez faire les courses ) lol
phil
Pas de problème pour les courses.
Superbe photo, que je n'avais pas.
Merci de ton aide. Ca m'arrangerait vraiment de trouver cette documentation. Mais si tu ne la trouves pas, ça sera quand même bon pour les courses de Flamby, essentiellement sur bases liquides et porcines.
Superbe photo, que je n'avais pas.
Merci de ton aide. Ca m'arrangerait vraiment de trouver cette documentation. Mais si tu ne la trouves pas, ça sera quand même bon pour les courses de Flamby, essentiellement sur bases liquides et porcines.
acerbis one a écrit :slt, je viens d envoyer un ml pour ta part list , des reception je te le transmets
pour la punition ,tu t occuperas de flamby( allez faire les courses ) lol
phil
Euh :cry: ,c'est qui le pilote smiley09
n °18 andréani, 51 ivan alborghetti
Oui.
J'essaye de remonter une réplica avec les pièces d'usine ( ex Farioli ) récupérées grace à Paolo.
Les cylindres ( nickasil ) sont là.
Je suis toujours à la recherche de cette culasse.
Et de toute pièce d'usine de cette époque.
Pas facile.
J'essaye de remonter une réplica avec les pièces d'usine ( ex Farioli ) récupérées grace à Paolo.
Les cylindres ( nickasil ) sont là.
Je suis toujours à la recherche de cette culasse.
Et de toute pièce d'usine de cette époque.
Pas facile.
pas evident peut etre a novegro 🤔
va a bergamo au musée du papa farioli y en a une mais a quelle prix
va a bergamo au musée du papa farioli y en a une mais a quelle prix
J'ai les cylindres, il a la culasse !!!
Faut qu'on s'arrange .
Mais toujours pas de part list "frame 81/82".
Faut qu'on s'arrange .
Mais toujours pas de part list "frame 81/82".
acerbis one a écrit :pas evident peut etre a novegro 🤔
va a bergamo au musée du papa farioli y en a une mais a quelle prix
Il vend des pièces ou il garde tout ?
Ce sujet ne contient pas encore de vidéo







