KTM 360 EGS
Sujet
33 ans99 messages 44 images
Posté le 22-11-2021, à 20:36
Sujet
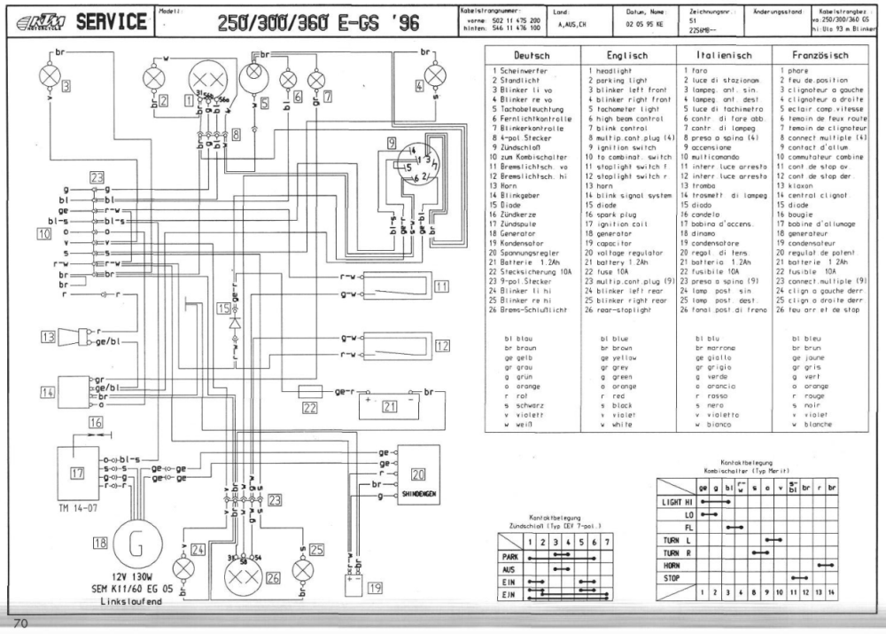
Salut tout le monde moi c lucas 29ans de vitrolles dans le sud. Apres avoir eu un 300 gs de 1992 que j'ai revendu pour raison financière ya quelque année et que j'ai toujours regretter, je me suis fait un petit plaisir en achetant une ktm 360 de 1996 elle tourne super et je doit dire que sa marche vraiment très fort... 🙂 par contre niveau électricité l ancien propriétaire a apparemment tout modifié donc le neiman est débranché j'ai 4 cosse a connecter sur le neiman mais je ne sais pas quel couleur sur quel borne et je n est pas de feux di de clignotant mais la moto n avait plus son comodo pour l éclairage et les clignotant donc c surment a cause de sa j attend de le recevoir pour voir si sa résou le problèmes mais quelqun peut m aider pour le branchement du neiman svp j'ai 4 cosse une avec un fil rouge et blanc un avec un fil bleu et noir une avec deux fils blanc connecté sur une cosse et une autre avec deux fils marron connecté sur une cosse. Sur le neimal il y a 7 borne pour les brancher donc je n est aucune idée de ou ils se branche..
Si quelqun a un shema electrique sa pourrais m'aider aussi svp ;)
26 ans4646 messages 2727 images
Posté le 22-11-2021, à 20:42
Salut,
Beau projet  👍
Surtout avec une moto mythique  😄
Pour tes questions regarde si tu ne l'a pas sur ce site.
www.boltonmotorcycles.com/cms/page/~1/side...
33 ans99 messages 44 images
Posté le 22-11-2021, à 21:36
Salut merci pour ta réponse mais malheureusement il n'y a pas ce dont j'ai besoin...
64 ans96659665 messages 19601960 images
Modérateur
Posté le 23-11-2021, à 08:10
Bienvenue   😀  ,

Si tu as un ohmmètre, tu peux tester ton commodo.

Voir sur cette discussion: www.ktmaddict.fr/viewtopic.php?pid=129387&...
Le schéma suivant montre comment doivent être interconnectés les fils.

Ktm 360 egs


Je suis quasi sûr que chez Bolton, il y a un schéma dispo.
🙂
c8software.com.au/ktmold/1996/320197.pdf
Ktm 360 egs

Ktm 360 egs

Ktm 360 egs

=============================================
Pourquoi faire simple quand on peut faire compliqué!!       
              (Maximes Shadoks)                           😉                                                                 
=============================================
65 ans79357935 messages 12781278 images
Modérateur
Posté le 23-11-2021, à 10:59
Bienvenue !  😎

Super brèle 👍 , si il y en une qui passe pas loin, je craque 😂 , même si sa cote grimpe  :/

o marre eud'ch'possé euch'wassingue tin qui drache !
PICARDIE INDEPENDANTE !!!!!!!!!!!!!!!!!!!
Moto(s) : Des Ex-Bouses
33 ans99 messages 44 images
Posté le 23-11-2021, à 17:56
Merci beaucoup pour le schéma tu est trop fort sa rique de m aider par contre je n est pas les meme couleur de fils que sur le shema sur le neiman et il me manque un fil.. bizarre...
33 ans99 messages 44 images
Posté le 23-11-2021, à 17:57
Tu trouve des bonne affaire moi je l ai trouver a 1500e elle a 5800km au compteur
33 ans99 messages 44 images
Posté le 23-11-2021, à 18:17
La voilà je lui est commandé des nouveaux carenage je vais lui refaire sont pot fmf car introuvable je vais demonter pour controller l état du piston cylindre bielle et changer si besoin mais elle tourne déjà super et sans bruit suspect. et je compte la passer en supermot pour pouvoir rouler et me faire plaisir de temps en temps car pour l enduro j'ai déjà un 200 2t  et sa suffit largement
Ktm 360 egs
7 semaines plus tard...
33 ans99 messages 44 images
Posté le 16-01-2022, à 08:33
Voilà ma 360 en mode supermot, je cherche un kit deco mais c compliquer a trouver pour cette moto si vous avez un tuyaux pour en avoir un je suis preneur
33 ans99 messages 44 images
Posté le 16-01-2022, à 08:34
Ktm 360 egs

Ktm 360 egs

Ktm 360 egs
65 ans79357935 messages 12781278 images
Modérateur
Posté le 16-01-2022, à 13:15
Bien finie !!  👍


là, si tu ne trouve pas.....  :D
www.hyena-mx.com/fr/categorie?id=995&n=

😉

o marre eud'ch'possé euch'wassingue tin qui drache !
PICARDIE INDEPENDANTE !!!!!!!!!!!!!!!!!!!
Moto(s) : Des Ex-Bouses
2 mois plus tard...
33 ans99 messages 44 images
Posté le 22-03-2022, à 18:38
Merci du tuyaux ya de quoi faire sur le site que tu ma filé😉
Maintenant j'aurai une question a posée au possesseurs de 360 si il yen a svp dite moi
Ce sujet ne contient pas encore de vidéo
30 connectés : 2 membres : freduro ktm64, 28 invités et 31 Robots d'exploration.
KTMaddict.fr
30 connectés : 2 membres : freduro ktm64, 28 invités et 31 Robots d'exploration.
30 connectés : 2 membres : freduro ktm64, 28 invités et 31 Robots d'exploration.