POSE D UN COUPE CIRCUIT EXC 450 SIX DAYS 2014
Sujet
Bonjour à tous
Je me pose la question de branché un interrupteur coupe circuit, pour éviter que le moteur a enclenche en descente moteur allumé en première.
- vu que d origine la moto n’en n’a pas je me posait la question si cela n’endommagerai pas l allumage ????
- et sur quel fils dois-je me connecté pour faire ce branchement d interrupteur sans endommagé la partie électrique de la moto .
Merci pour vos réponse
Sylvain
Je me pose la question de branché un interrupteur coupe circuit, pour éviter que le moteur a enclenche en descente moteur allumé en première.
- vu que d origine la moto n’en n’a pas je me posait la question si cela n’endommagerai pas l allumage ????
- et sur quel fils dois-je me connecté pour faire ce branchement d interrupteur sans endommagé la partie électrique de la moto .
Merci pour vos réponse
Sylvain
Moto(s) : 250 exc tpi 2022
Utilité? 🤔
=============================================
Pourquoi faire simple quand on peut faire compliqué!!
(Maximes Shadoks) 😉
=============================================
Dans une descente sévère pour éviter que le moteur démarre ?
Un interrupteur on/off en parallèle du coupe circuit.
Un interrupteur on/off en parallèle du coupe circuit.
Si vous me cherchez, je suis là, avant ma traceMoto(s) : 127 cc sapetoku
Oui descente très très pentue avec ravin, donc on doit descendre en première moteur coupé, question de sécurité
Moto(s) : 250 exc tpi 2022
Exactement
Moto(s) : 250 exc tpi 2022
Et la compression n'est pas un soucis? 🤔
=============================================
Pourquoi faire simple quand on peut faire compliqué!!
(Maximes Shadoks) 😉
=============================================
Non pas de soucis de compression, c est juste que c’est moto n’on pas d’interrupteur moteur d origine.
Moto(s) : 250 exc tpi 2022
Quand je dévalais des pentes à pic, j'avais toujours le moteur en marche, s'il calait, c'était la glissade assurée avec la roue arrière bloquée sur la compression.
Le genre de manip encore plus vraie en 4X4, tu fais tout pour ne pas freiner, ni débrayer.
Le genre de manip encore plus vraie en 4X4, tu fais tout pour ne pas freiner, ni débrayer.
=============================================
Pourquoi faire simple quand on peut faire compliqué!!
(Maximes Shadoks) 😉
=============================================
Très étrange cette technique du moteur coupé pour passer une descente. :D
En plus en première...moteur coupé,tout le poids sur l'avant...comment la roue arrière arrive à tourner?
Car elle doit tourner pour ne pas glisser. 😉
En plus en première...moteur coupé,tout le poids sur l'avant...comment la roue arrière arrive à tourner?
Car elle doit tourner pour ne pas glisser. 😉
Moto(s) : des 125 lc de 81/82 un 240gs de 81 pour les regarder et un 300exc tpi erzbergrodeo pour faire joujou
il y a un levier à gauche du guidon pour l'embrayage :D .
Une technique comme une autre : quand tu n'arrive pas à descendre sur la moto, tu ne peux pas actionner le frein arrière.
Dans ce cas, tu cales le moteur et tu descend en première. Quand tu embraye, ça freine la roue arrière.
C'est vrai que dans ce cas, si la moto démarre...ça peut faire une belle figure!
Une technique comme une autre : quand tu n'arrive pas à descendre sur la moto, tu ne peux pas actionner le frein arrière.
Dans ce cas, tu cales le moteur et tu descend en première. Quand tu embraye, ça freine la roue arrière.
C'est vrai que dans ce cas, si la moto démarre...ça peut faire une belle figure!
Moto(s) : France : Cagiva 900 Gran Canyon, Aprilia 600 Pegaso, KTM 250 EXC; Canada KTM350, Kawa 220 KDX
Si tu es obligé d'être à côté de ta moto pour moi le frein avant suffit en étant au point mort.
Après chacun sa technique 👍
Après chacun sa technique 👍
Moto(s) : des 125 lc de 81/82 un 240gs de 81 pour les regarder et un 300exc tpi erzbergrodeo pour faire joujou
benoitfp a écrit :Une technique comme une autre : quand tu n'arrive pas à descendre sur la moto, tu ne peux pas actionner le frein arrière.
Dans ce cas, tu cales le moteur et tu descend en première. Quand tu embraye, ça freine la roue arrière.
C'est vrai que dans ce cas, si la moto démarre...ça peut faire une belle figure!
Dans ce cas de figure la demande faite par Syl20 prend tout son sens.
Si vous me cherchez, je suis là, avant ma traceMoto(s) : 127 cc sapetoku
Ce sont des pentes en pierres, rocailleuses avec plus de 25-30 degrés d inclinaison, avec ravin sur les côtés, descendre au point mort avec le pied sur le frein arrière, ok mais au moindre déséquilibre, la moto par dans le ravin ….
Je me posais la question si il était possible de mettre cet interrupteur on/off a la place du commutateur ( bouton poussoir d’origine) qui sert à éteindre la moto ?
Merci
Je me posais la question si il était possible de mettre cet interrupteur on/off a la place du commutateur ( bouton poussoir d’origine) qui sert à éteindre la moto ?
Merci
Moto(s) : 250 exc tpi 2022
benoitfp a écrit :Une technique comme une autre : quand tu n'arrive pas à descendre sur la moto, tu ne peux pas actionner le frein arrière.
Dans ce cas, tu cales le moteur et tu descend en première. Quand tu embraye, ça freine la roue arrière.
C'est vrai que dans ce cas, si la moto démarre...ça peut faire une belle figure!
freduro a écrit :
Dans ce cas de figure la demande faite par Syl20 prend tout son sens.
Dans le cas présent, on parle d'un 450. J'ai un gros doute quand à le voir démarrer dans une pente, sans poids sur la roue arrière.
Je veux bien croire que ça démarre bien mais certainement pas au point de partir, alors que le conducteur, la retient au frein.
J'ai toujours trouvé bien plus casse gueule, de marcher à coté de la bécane, surtout dans une descente bien raide. C'est la gamelle assurée.
C'est ma petite expérience d'enduriste en gros 4 coups qui me fait dire ça. :)
=============================================
Pourquoi faire simple quand on peut faire compliqué!!
(Maximes Shadoks) 😉
=============================================
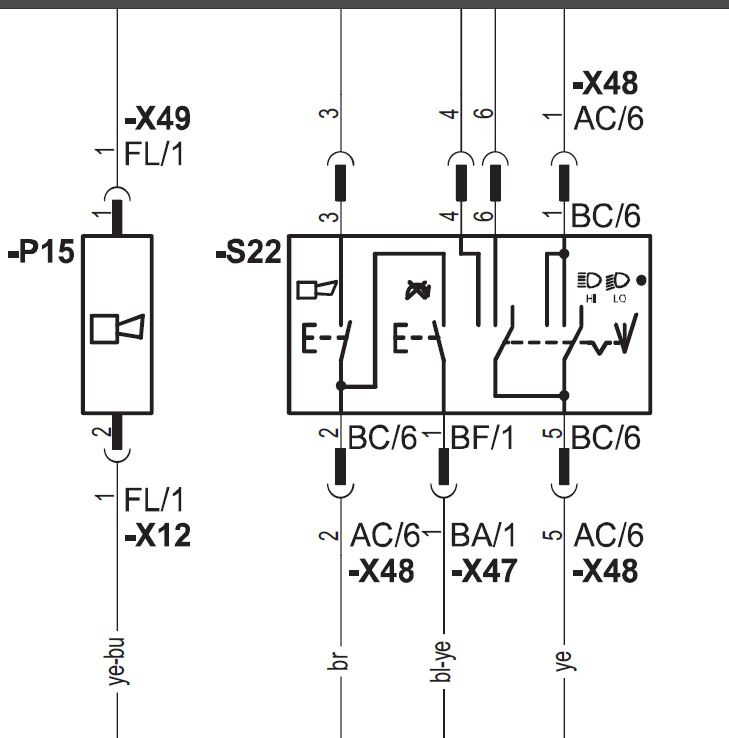
Source:
Circuit fermé = marche
circuit ouvert = arrêt
Ce qui signifie: montage d'un inter en série avec le poussoir et non en parallèle. 😉
Je reste toujours dubitatif sur le fait qu'un gros 4coups, puisse démarrer, dans une pente énorme, sans l'adhérence nécessaire pour vaincre la compression, à la rigueur, s'il y avait un décompresseur manuel.
Il doit y avoir une coquille dans la traduction française, le schéma montre l'inverse.
=============================================
Pourquoi faire simple quand on peut faire compliqué!!
(Maximes Shadoks) 😉
=============================================
Le décompresseur automatique fait très bien son travail et la compression finit toujours par passer.
C'est pas rationnel niveau adhérence de l'arrière pour se stopper en descente, mais dans certains coins chauds où je passe, je conseille aux néophytes qui n'ont pas encore la technique requise de caler le moteur et en prise de gérer l'arrière avec le levier d'embrayage. Une remise en marche du moteur peut s'avérer déstabilisante.
Si l'interrupteur est fonctionnel, à voir effectivement en série sur le circuit d'arrêt, mais ça semble peu cohérent.
C'est pas rationnel niveau adhérence de l'arrière pour se stopper en descente, mais dans certains coins chauds où je passe, je conseille aux néophytes qui n'ont pas encore la technique requise de caler le moteur et en prise de gérer l'arrière avec le levier d'embrayage. Une remise en marche du moteur peut s'avérer déstabilisante.
Si l'interrupteur est fonctionnel, à voir effectivement en série sur le circuit d'arrêt, mais ça semble peu cohérent.
Si vous me cherchez, je suis là, avant ma traceMoto(s) : 127 cc sapetoku
Je me basais sur la description du fonctionnement mais visiblement le schéma dit l'inverse.
Mise à la masse comme souvent. Donc interrupteur en parallèle. Un test est facile à effectuer.
Mise à la masse comme souvent. Donc interrupteur en parallèle. Un test est facile à effectuer.
=============================================
Pourquoi faire simple quand on peut faire compliqué!!
(Maximes Shadoks) 😉
=============================================
Cela n’a pas fonctionné
Moto(s) : 250 exc tpi 2022
L'arrêt d'urgence (poussoir) ne fonctionne pas? 🤔
Met des photos du commodo, coté branchements.
Met des photos du commodo, coté branchements.
=============================================
Pourquoi faire simple quand on peut faire compliqué!!
(Maximes Shadoks) 😉
=============================================
Si il fonctionne, mais c’est un bouton poussoir, donc le moteur peut se remettre en marche après l avoir arrêter avec ce bouton poussoir….
Je voulais mettre un interrupteur qui permet l’arrêt du moteur, sans que celui ci ne puisse se remettre en marche en première en descente
Je voulais mettre un interrupteur qui permet l’arrêt du moteur, sans que celui ci ne puisse se remettre en marche en première en descente
Moto(s) : 250 exc tpi 2022
=============================================
Pourquoi faire simple quand on peut faire compliqué!!
(Maximes Shadoks) 😉
=============================================
Moto(s) : 250 exc tpi 2022
Et ça ne fonctionne pas
Moto(s) : 250 exc tpi 2022
Tu prends le fil qui alimente la bobine et tu fais un pontage avec un interrupteur relié à la masse tout simplement.
Moto(s) : 300 GS 1985 250 freeride 125 RDX
Je sais pas quel fil alimente la bobine
Moto(s) : 250 exc tpi 2022
Ce sujet ne contient pas encore de vidéo

