KTM 250 EXC 2007 PROBLÈME ÉCLAIRAGE ET COMPTEUR
Sujet
44 ans1010 messages 99 images
Posté le 02-12-2022, à 12:55
Sujet
Bonjour,

Je rencontre 2 soucis électriques sur le 250:
- fonctionnement du compteur
- fonctionnement des feux.


Le compteur ne se met pas en route tout seul en tournant la roue:

- le clips sur le disque est présent (manque peut-être l'aimant sur le support )?
KTM 250 exc 2007 problème éclairage et compteur


- la pile vient d'être changée, a la main il s'allume bien
- vérifié serrage capteur, il est au max je pense. Par contre je ne sais pas comment le contrôler ?
- le fil n'est pas coupé entre la prise bas de fourche et le branchement au compteur (vérifié ohmmètre).
KTM 250 exc 2007 problème éclairage et compteur


KTM 250 exc 2007 problème éclairage et compteur


Et au niveau de l'éclairage :

- seulement du jus sur la veilleuse phare avant, pas de 12v au feu de croisement av/ar.

Voilou, si quelqu'un a déjà eu ce souci je suis preneur de conseils

Je demonterai un peu plus tout ça début de semaine prochaine pour voir ce qu'il en est.

Bon WE

Moto(s) : ktm 250 exc 2007, Honda GL1000 solo/side-car 1977, Suzuki 600 DR 1987, Yamaha FZ1 2006
4 ans415415 messages 4040 images
Posté le 02-12-2022, à 15:35
as tu le commodo d'éclairage d'origine?

Moto(s) : France : Cagiva 900 Gran Canyon, Aprilia 600 Pegaso, KTM 250 EXC; Canada KTM350, Kawa 220 KDX
61 ans36233623 messages 4141 images
Modérateur
Posté le 02-12-2022, à 15:51
Pour le compteur : débranche le connecteur du capteur proche de l'étrier et shunte les contacts. Le compteur se réveille ?
Câble rebranché, en passant un aimant plus puissant devant le capteur, le compteur se réveille ?
J'ai découvert il y a peu qu'on pouvait redonner du magnétisme à un aimant. J'ai le même soucis sur ma moto et je soupçonne l'aimant d'être faiblard.

Pour l'éclairage, comme le suggère Benoît, le commodo d'origine est un nid à corrosion et donc faux contacts.

Si vous me cherchez, je suis là, avant ma traceMoto(s) : 127 cc sapetoku
64 ans96659665 messages 19601960 images
Modérateur
Posté le 02-12-2022, à 20:18
Je ne pense pas que ce soit l'aimant qui faiblit. C'est un contact mécanique, à l'usage, il fatigue et il faut un plus grand effort pour établir le contact. Comme les boutons d'une télécommande qui s'avachissent et ne veulent plus rien savoir.   😀

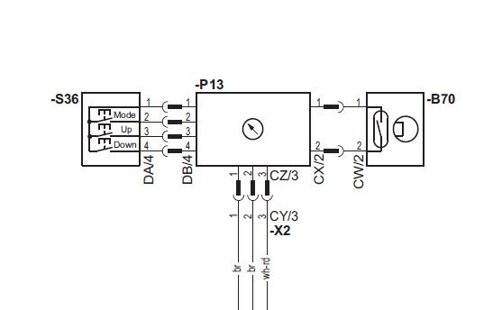
C'est pour 2014 mais ça n'a pas du beaucoup changer. Capteur en B70
KTM 250 exc 2007 problème éclairage et compteur


www.manualslib.com/download/812364/Ktm-250...

=============================================
Pourquoi faire simple quand on peut faire compliqué!!       
              (Maximes Shadoks)                           😉                                                                 
=============================================
44 ans1010 messages 99 images
Posté le 02-12-2022, à 21:21
Merci pour votre aide ️.

Oui je crois bien qu'il s'agit de la cocotte d'origine, a confirmer mais elle ressemble à ça :
KTM 250 exc 2007 problème éclairage et compteur


Aujourd'hui j'ai reçu un nouvel aimant je vais le tester début de semaine.

Pas bête l'idée de shunter le capteur, je n'y avais pas pensé lol.

J'essaie ça demain soir en rentrant du boulot ou début de semaine et vous tiens au jus ????.

J'ai remarqué qu'il manquait le fil du témoin de clignotant, et celui du témoin de phare est bien oxydé. Au cas où...

Moto(s) : ktm 250 exc 2007, Honda GL1000 solo/side-car 1977, Suzuki 600 DR 1987, Yamaha FZ1 2006
61 ans36233623 messages 4141 images
Modérateur
Posté le 03-12-2022, à 10:52
Avant d'ouvrir le commodo, tu peux le noyer de nettoyant contact en passant sous le basculeur code/phare.
L'étape suivante consiste à défaire proprement les deux rivets et d'aller osculter les ressorts, billes, lamelles et plots à l'intérieur.

Si vous me cherchez, je suis là, avant ma traceMoto(s) : 127 cc sapetoku
44 ans1010 messages 99 images
Posté le 03-12-2022, à 11:36
Aimant changé => idem donc pas ça.

J'ai shunté le capteur en bas roue et le compteur s'allume donc lui doit être HS.
KTM 250 exc 2007 problème éclairage et compteur



Je précise que le rétro-éclairage s'allume quand on démarre la moto ????

KTM 250 exc 2007 problème éclairage et compteur



Je n'ai pas trouvé la référence sur la microfiche par contre ?

Pour le commodo, wd40 et soufflette pour le moment, je n'ai de la tension qu'entre le vert (masse) et le jaune/noir peut importe la position du switch. Par contre selon le régime moteur, le multimètre m'indique des valeurs a 18v, le régulateur ne doit pas faire son boulot non?

Pas de mesures de tension a l'alimentation du commodo sous le compteur :

KTM 250 exc 2007 problème éclairage et compteur



=> Lorsque tu dis d'ouvrir proprement les rivets pour nettoyer et vérifier l'intérieur, tu as une technique particulière ?
KTM 250 exc 2007 problème éclairage et compteur

Moto(s) : ktm 250 exc 2007, Honda GL1000 solo/side-car 1977, Suzuki 600 DR 1987, Yamaha FZ1 2006
61 ans36233623 messages 4141 images
Modérateur
Posté le 03-12-2022, à 11:43
Le capteur n'est plus vendu séparément. Il fait partie d'un lot avec le câble. De mémoire 55€ le lot  😳
Pour les rivets, par en dessous, avec une meule ou un foret, élimer les rabats des rivets. Tu peux ainsi les retirer et les conserver pour le remontage.

Si vous me cherchez, je suis là, avant ma traceMoto(s) : 127 cc sapetoku
44 ans1010 messages 99 images
Posté le 03-12-2022, à 12:52
Si c'est le numéro 80 (faisceau câbles clignotants av c'est 50e effectivement.

Si c'est le #2 là c'est 160e ????

KTM 250 exc 2007 problème éclairage et compteur


Sur internet on trouve un adaptable en plastique a 20e. A voir...

Moto(s) : ktm 250 exc 2007, Honda GL1000 solo/side-car 1977, Suzuki 600 DR 1987, Yamaha FZ1 2006
61 ans36233623 messages 4141 images
Modérateur
Posté le 03-12-2022, à 14:16
Ni le 80, ni le 2.
Il est visible sur la microfiche "compteur", repère 10 pour 57€72.

Si vous me cherchez, je suis là, avant ma traceMoto(s) : 127 cc sapetoku
44 ans1010 messages 99 images
Posté le 03-12-2022, à 23:17
Bien vu, merci   😀

Moto(s) : ktm 250 exc 2007, Honda GL1000 solo/side-car 1977, Suzuki 600 DR 1987, Yamaha FZ1 2006
2 semaines plus tard...
44 ans1010 messages 99 images
Posté le 19-12-2022, à 23:39
Bonjour,

pour le compteur:

capteur adaptable et cosses référence ktm reçus   😀 

plus qu'à trouver le temps de bricoler ça en jonglant avec la météo  😄

pour l'éclairage, je verrai ça plus tard car plus compliqué pour moi

je vous tiens informés du résultat, si le souci venait bien de là.

a +

Moto(s) : ktm 250 exc 2007, Honda GL1000 solo/side-car 1977, Suzuki 600 DR 1987, Yamaha FZ1 2006
Ce sujet ne contient pas encore de vidéo
30 connectés : 1 membres : Paul81, 29 invités et 5 Robots d'exploration.
KTMaddict.fr
30 connectés : 1 membres : Paul81, 29 invités et 5 Robots d'exploration.
30 connectés : 1 membres : Paul81, 29 invités et 5 Robots d'exploration.