Forums
Tous les sujets
Voir les sujets récents
Annonces
Annonces
Saisir une annonce
Médias
images
Vidéos
Plus...
Contact
Inscription
Recherche
English
French
CONNEXION
Accueil
IMAGES
Les images du sujet :
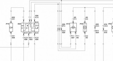
Faisceau electrique 125 EXC 2014
S'IDENTIFIER
Nom d'utilisateur
ou
Adresse mail
Mot de passe
Me connecter automatiquement chacune de mes visites.
S'identifier
Inscription
Mot de passe oublié ?
Ou s'enregistrer en 3 clics avec son compte Google
Google
IMAGES -
Faisceau electrique 125 EXC 2014
il y a 5 ans
il y a 5 ans
il y a 5 ans
il y a 5 ans
il y a 5 ans