BRANCHEMENT COMPTEUR
Sujet
Bonjour à tous
Un petit coup de pouce serai le bienvenue... j’aimerai ajouter un compteur sur ma ktm 250 exc .
Après plusieurs recherche , j’ai trouver quelques schémas mais il ne sont pas complet ...
Pas de plug and play pour moi , je dois couper les connectiques !!!
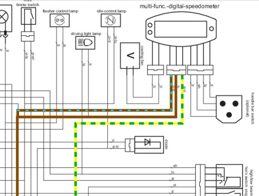
J’aimerai juste savoir quelle cable se ponte avec l’autre (voir photo du schéma entouré en rouge ) . Il m’indique bien les couleurs qui se branche sur le compteur (voir photo entouré en vert ) mais pas les couleurs du compteur lui même .
Si quelqu’un pourrait m’envoyer une petite photo ou m’indiquer sur le schéma les couleurs cela m’aiderai grandement !!!
V à tous et merci d’avance à ceux qui se pencheront sur mon problème .
Un petit coup de pouce serai le bienvenue... j’aimerai ajouter un compteur sur ma ktm 250 exc .
Après plusieurs recherche , j’ai trouver quelques schémas mais il ne sont pas complet ...
Pas de plug and play pour moi , je dois couper les connectiques !!!
J’aimerai juste savoir quelle cable se ponte avec l’autre (voir photo du schéma entouré en rouge ) . Il m’indique bien les couleurs qui se branche sur le compteur (voir photo entouré en vert ) mais pas les couleurs du compteur lui même .
Si quelqu’un pourrait m’envoyer une petite photo ou m’indiquer sur le schéma les couleurs cela m’aiderai grandement !!!
V à tous et merci d’avance à ceux qui se pencheront sur mon problème .
Moto(s) : Ktm 250 exc enduro homologué route
1 an plus tard...
Bonjour,
J'ai le meme souci que vous,finalement vous avez toutes les couleurs,
Si vous voulez bien me les envoyer ca serait sympa
Merci
Claude
J'ai le meme souci que vous,finalement vous avez toutes les couleurs,
Si vous voulez bien me les envoyer ca serait sympa
Merci
Claude
1 an plus tard...
Déterrage de post....
Je post ici aussi, on sait jamais.... 625 SC de 2002, pour ceux qui n'aurait pas vu le sujet ;)
On a un soucis avec le compteur.... Il ne fonctionne pas....
On a changé la pile avec le + visible vers nous, il vit....
Mais c'est tout, en roulant rien... On a contrôlé le signal vient de la roue, c'est OK... cosse 2 fils
Par contre au niveau branchement, il nous manque la commande déportée au guidon, est ce que ça peut être ça?
cosse rectangulaire
J'avoue qu'on n'a pas testé l'arrivée de courant sur la cosse 3 fils 🙄
Auriez vous une idée?
Merci d'avance
Je post ici aussi, on sait jamais.... 625 SC de 2002, pour ceux qui n'aurait pas vu le sujet ;)
On a un soucis avec le compteur.... Il ne fonctionne pas....
On a changé la pile avec le + visible vers nous, il vit....
Mais c'est tout, en roulant rien... On a contrôlé le signal vient de la roue, c'est OK... cosse 2 fils
Par contre au niveau branchement, il nous manque la commande déportée au guidon, est ce que ça peut être ça?
cosse rectangulaire
J'avoue qu'on n'a pas testé l'arrivée de courant sur la cosse 3 fils 🙄
Auriez vous une idée?
Merci d'avance
Moto(s) : 990 adventure 2009
Laurent, le schéma que tu as posté ne comporte pas le compteur? 🙂
Sur un schéma avec compteur, la commande au guidon est optionnelle. La connecteur trois fils comporte deux masses et un positif. Je pense que c'est dédié à l'éclairage.
Par contre, pourquoi deux masses?
Le capteur de roue est-il le même que sur les compteurs de vélo, un contact à impulsion commandé par l'aimant de la roue? Si oui, tu peux vérifier son fonctionnement avec un ohmmètre.
Sur un schéma avec compteur, la commande au guidon est optionnelle. La connecteur trois fils comporte deux masses et un positif. Je pense que c'est dédié à l'éclairage.
Par contre, pourquoi deux masses?
Le capteur de roue est-il le même que sur les compteurs de vélo, un contact à impulsion commandé par l'aimant de la roue? Si oui, tu peux vérifier son fonctionnement avec un ohmmètre.
=============================================
Pourquoi faire simple quand on peut faire compliqué!!
(Maximes Shadoks) 😉
=============================================
En faisant contact par impulsion entre les fils du connecteurs deux pôles, le compteur devrait se réveiller et afficher une vitesse.
Si vous me cherchez, je suis là, avant ma traceMoto(s) : 127 cc sapetoku
Si si y a un compteur sur le schéma c est le repère 5 ;)
Et oui, y a un aimant sur le disque
J est testé avec l aimant mais pas en mettant les fils en contact, on va essayer...
Du coup, comme c est une option, normalement le compteur doit fonctionner sans la commande au guidon...
Et oui, y a un aimant sur le disque
J est testé avec l aimant mais pas en mettant les fils en contact, on va essayer...
Du coup, comme c est une option, normalement le compteur doit fonctionner sans la commande au guidon...
Moto(s) : 990 adventure 2009
Alors ? Il fonctionne ou pas ?
=============================================
Pourquoi faire simple quand on peut faire compliqué!!
(Maximes Shadoks) 😉
=============================================
A priori oui, il s est remis en route tout seul y a 2 jours... on ne se l explique pas... tant mieux ;)
Je n en sais pas plus la moto est chez mon fils...
Moto(s) : 990 adventure 2009
Peut-être un des contacts qui reste bloqué.
=============================================
Pourquoi faire simple quand on peut faire compliqué!!
(Maximes Shadoks) 😉
=============================================
Bon... il s allume mais ne donne pas la vitesse... il s allume avec le passage de l aimant devant le capteur... il démarre aussi de façon aléatoire lors du démarrage...
Bizarre...Bizarre...
Bizarre...Bizarre...
Moto(s) : 990 adventure 2009
Tu pourrais l'ouvrir et voir le connecteur sur la carte. De l'oxydation pourrait avoir fait son œuvre.
à l'occasion, pourrais tu faire des photos des connecteurs ... connectés. Histoire d'avoir la concordance des couleurs, vu que celles coté compteur différent de celles du faisceau. 😀
à l'occasion, pourrais tu faire des photos des connecteurs ... connectés. Histoire d'avoir la concordance des couleurs, vu que celles coté compteur différent de celles du faisceau. 😀
=============================================
Pourquoi faire simple quand on peut faire compliqué!!
(Maximes Shadoks) 😉
=============================================
Je l'ai déjà ouvert, et rien de flagrant, en même temps, je ne suis pas spécialiste des circuits imprimés :D :D
Voici les couleurs pour le branchement, uniquement sur la cosse 3 fils qui arrive du faisceau car on n'a pas la commande déportée...
Au final, mon fils avait commandé un compteur trailtech.... on l'a monté ;)
Voici les couleurs pour le branchement, uniquement sur la cosse 3 fils qui arrive du faisceau car on n'a pas la commande déportée...
Au final, mon fils avait commandé un compteur trailtech.... on l'a monté ;)
Moto(s) : 990 adventure 2009
Ce sujet ne contient pas encore de vidéo









