RESTAURATION 500 GS
Sujet
Salut à tous!
J'ai craqué pour une GS 500 de 1983, moteur rotax.
Elle est en bel état mécanique (elle démarre plutôt bien, ça freine et embraye, les vitesses passent bien etc...)
Esthétiquement elle est plutôt pas mal au niveau peinture, j'ai un doute pour la selle: est-ce vraiment celle d'origine?
Il me semble que le garde-boue arrière n'est pas comme à l'original mais ça passe aussi..
L'éclairage avant et arrière fonctionne ainsi que le stop à la pédale.
Mon but est dans un premier temps de la rendre légale, pour me balader tranquillement dans les chemins et pouvoir faire des liaisons par la route sans craindre les képis!
En gros il faut lui rajouter les clignotants, le neiman et le compteur de vitesse qui sont inexistant. Il manque également le commodo et le klaxon bref c'est une brèle 100% enduro!!
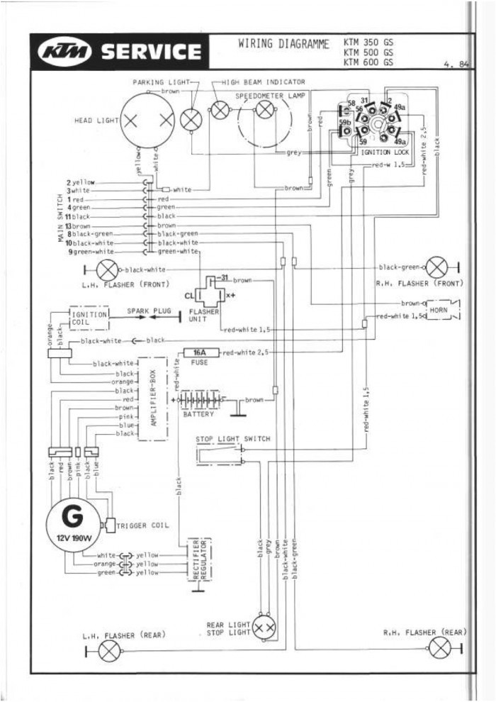
Grâce à vous, et je vous en remercie beaucoup, j'ai pu trouver le schéma électrique de la moto.
J'ai donc viré tout ce qui était bricolage et je vais pouvoir refaire le tout au propre.
Partant de 0, je m'adresse donc à vous.
Je compte commander les pièces sur Ktmklassiker.
Sur vos bécanes combien le neiman a-t-il de positions? Il y a sur le schéma une ampoule "parking light" et j'avoue ne pas savoir son utilité.
Serait-il possible d'avoir une photo de l'ensemble compteur-neiman pour voir comment il est fixé? Et du commodo?
Selon vous, est-il possible que le commodo prenne le masse de part sa fixation au guidon? En épluchant le schéma,c'est la seule possibilité de faire fonctionner le klaxon.
Désolé pour cette avalanche de questions, en attendant voici quelques photos:
Rappel du schéma!
La boite à air avec un cornet dedans. Y-a-il un danger à le laisser comme ça?
Le grotax qui suinte un peu par le kick moteur chaud. C'est gras autour des bouchons mais ça ne goute pas.
Des conseils?
A suivre!
P.S. j'ai 2 carbus Bing 54 en rab, si ça peut aider quelqu'un..
J'ai craqué pour une GS 500 de 1983, moteur rotax.
Elle est en bel état mécanique (elle démarre plutôt bien, ça freine et embraye, les vitesses passent bien etc...)
Esthétiquement elle est plutôt pas mal au niveau peinture, j'ai un doute pour la selle: est-ce vraiment celle d'origine?
Il me semble que le garde-boue arrière n'est pas comme à l'original mais ça passe aussi..
L'éclairage avant et arrière fonctionne ainsi que le stop à la pédale.
Mon but est dans un premier temps de la rendre légale, pour me balader tranquillement dans les chemins et pouvoir faire des liaisons par la route sans craindre les képis!
En gros il faut lui rajouter les clignotants, le neiman et le compteur de vitesse qui sont inexistant. Il manque également le commodo et le klaxon bref c'est une brèle 100% enduro!!
Grâce à vous, et je vous en remercie beaucoup, j'ai pu trouver le schéma électrique de la moto.
J'ai donc viré tout ce qui était bricolage et je vais pouvoir refaire le tout au propre.
Partant de 0, je m'adresse donc à vous.
Je compte commander les pièces sur Ktmklassiker.
Sur vos bécanes combien le neiman a-t-il de positions? Il y a sur le schéma une ampoule "parking light" et j'avoue ne pas savoir son utilité.
Serait-il possible d'avoir une photo de l'ensemble compteur-neiman pour voir comment il est fixé? Et du commodo?
Selon vous, est-il possible que le commodo prenne le masse de part sa fixation au guidon? En épluchant le schéma,c'est la seule possibilité de faire fonctionner le klaxon.
Désolé pour cette avalanche de questions, en attendant voici quelques photos:
Rappel du schéma!
La boite à air avec un cornet dedans. Y-a-il un danger à le laisser comme ça?
Le grotax qui suinte un peu par le kick moteur chaud. C'est gras autour des bouchons mais ça ne goute pas.
Des conseils?
A suivre!
P.S. j'ai 2 carbus Bing 54 en rab, si ça peut aider quelqu'un..
Moto(s) : GS-500 XL600R Speed Triple Street Triple
salut ,
quelques trucs qui pourront éclairer ta lanterne (il y en a bcp je ne me souviens plus trop )
-gb ar acerbis baja de 86
-gb av acerbis nost 83
- selle ok manque juste le marquage mais vu ta moto je pense que tu as le modéle trail équipé du pack street (clignos et tout le reste ) je m'explique : en 1983 ktm sortait le 500 a moteur rotax en deux versions (premiére et derniére année ) gs enduro et scrambler ce qui explique sur la tienne le neiman (regarde sur le forum tu ne verras pas une 83 avec cet accessoire ) .
Ton commodo est peut-étre similaire a celui des autres modéles 83 ( chromé ) moi je l'ai oté sur la mienne pour mettre un CEV plus fonctionnel et plus beau et disponible car monté a partir de 82 et se trouvant encore sur les modéles 2006
le compteur c'est du VDO ,mais sur ta moto ça doit étre un bloc ce qui fait que tu vas devoir faire des choix selon la disponibilitée des piéces :|
quelques trucs qui pourront éclairer ta lanterne (il y en a bcp je ne me souviens plus trop )
-gb ar acerbis baja de 86
-gb av acerbis nost 83
- selle ok manque juste le marquage mais vu ta moto je pense que tu as le modéle trail équipé du pack street (clignos et tout le reste ) je m'explique : en 1983 ktm sortait le 500 a moteur rotax en deux versions (premiére et derniére année ) gs enduro et scrambler ce qui explique sur la tienne le neiman (regarde sur le forum tu ne verras pas une 83 avec cet accessoire ) .
Ton commodo est peut-étre similaire a celui des autres modéles 83 ( chromé ) moi je l'ai oté sur la mienne pour mettre un CEV plus fonctionnel et plus beau et disponible car monté a partir de 82 et se trouvant encore sur les modéles 2006
le compteur c'est du VDO ,mais sur ta moto ça doit étre un bloc ce qui fait que tu vas devoir faire des choix selon la disponibilitée des piéces :|
les suspates ont l'air assez baleze pour une version trail qui semblait plus "posee" . Je dois avoir une pub d'epoque ou les 2 versions sont proposées sur la meme page, c'est flagrant . J'ai l'essai moto verte de la version trail aussi.
Pour ce qui est des clignos, le klaxon et (surtout) le neiman, meme pour une liaison , si tu ne fais pas trop de route (c'est pas fait pour) , tu peux t'en passer , mais c'est vrai que tu risques la prune si tu croises les bleus.
Le filtre a air, c'est une priorité , c'est le poumon du moteur, interdit d'avaler de la poussière ......
Pour ce qui est des clignos, le klaxon et (surtout) le neiman, meme pour une liaison , si tu ne fais pas trop de route (c'est pas fait pour) , tu peux t'en passer , mais c'est vrai que tu risques la prune si tu croises les bleus.
Le filtre a air, c'est une priorité , c'est le poumon du moteur, interdit d'avaler de la poussière ......
Moto(s) : KTM 530-125GS 83-240GS 80- garelli katiam76-rocvale50 kit22 71-yam XTZ 750 91-tdr125 94-solex 2200
Si tu as gardé l'essaie du trail c'est pas mal il pourra voir a quoi ressemblait le modéle originel . Je me souvient que les fourches (a disque ) étaient différentes (38/40 ) donc a lui de mesurer afin de déterminer son modéle .....et en croisant les doigts vu que ces bécanes de 30 ans sont passés dans tant de mains 🙄
ps: j'ai des clignos d'époque qui étaient montés sur ma 83 (beurk ) même si ce n'est pas de la piéce d'origine ktm
ps: j'ai des clignos d'époque qui étaient montés sur ma 83 (beurk ) même si ce n'est pas de la piéce d'origine ktm
Moto(s) : KTM 530-125GS 83-240GS 80- garelli katiam76-rocvale50 kit22 71-yam XTZ 750 91-tdr125 94-solex 2200
jp-pareballes a écrit :Si tu as gardé l'essaie du trail c'est pas mal il pourra voir a quoi ressemblait le modéle originel . Je me souvient que les fourches (a disque ) étaient différentes (38/40 ) donc a lui de mesurer afin de déterminer son modéle .....et en croisant les doigts vu que ces bécanes de 30 ans sont passés dans tant de mains 🙄
ps: j'ai des clignos d'époque qui étaient montés sur ma 83 (beurk ) même si ce n'est pas de la piéce d'origine ktm
Salut
j'ai scanné l'essai en pdf , mais ne peut l'inserer . Y'a t'il une solution?
Moto(s) : KTM 530-125GS 83-240GS 80- garelli katiam76-rocvale50 kit22 71-yam XTZ 750 91-tdr125 94-solex 2200
Le passer en jpg, png ou gif 😀
=============================================
Pourquoi faire simple quand on peut faire compliqué!!
(Maximes Shadoks) 😉
=============================================
Merci beaucoup jp & redsun!
J'ignorais l’existence de ces deux modèles de GS. Sur ma plaque cadre il est mentionné GS 500 CF. ça peut aider?
S'il faut mesurer quelque chose pour être sûr je fonce! Au moins je saurais le modèle exact!
Aujourd'hui je viens de récupéré un "petit" stock de pièces à un prix défiant toute concurrence chez le gars qui me vendait le commodo.
Jugez plutôt:
Un grotax quasi complet! Manque juste poulie de vilo et bobine allumage.
lot de garde-boue, carters & plastiques
Et le fameux commodo et ses 9 fils (+1??) que je m'apprête à opérer pour voir la fonction des fils.
Encore merci à vous!
A suivre...
J'ignorais l’existence de ces deux modèles de GS. Sur ma plaque cadre il est mentionné GS 500 CF. ça peut aider?
S'il faut mesurer quelque chose pour être sûr je fonce! Au moins je saurais le modèle exact!
Aujourd'hui je viens de récupéré un "petit" stock de pièces à un prix défiant toute concurrence chez le gars qui me vendait le commodo.
Jugez plutôt:
Un grotax quasi complet! Manque juste poulie de vilo et bobine allumage.
lot de garde-boue, carters & plastiques
Et le fameux commodo et ses 9 fils (+1??) que je m'apprête à opérer pour voir la fonction des fils.
Encore merci à vous!
A suivre...
Moto(s) : GS-500 XL600R Speed Triple Street Triple
GS-600-XC a écrit :Le passer en jpg, png ou gif 😀
euh ! voui maizancor ?
Y'a un truc sur adobe mais fo payer .
En tout cas , il disent que le moteur de la version trail envoie du steack tapant un 162 chrono a bloc .
Le gros rotax , c'etait un moteur moderne avant l'age
Moto(s) : KTM 530-125GS 83-240GS 80- garelli katiam76-rocvale50 kit22 71-yam XTZ 750 91-tdr125 94-solex 2200
vu le coté "sauterelle" de ta moto et la selle qui est bleue et n'est pas une "biposto" , ta machine doit etre une vraie gs a moins que ce ne soit un bitza
Moto(s) : KTM 530-125GS 83-240GS 80- garelli katiam76-rocvale50 kit22 71-yam XTZ 750 91-tdr125 94-solex 2200
Oh non pas un bitza j'espère! 😡
En effet j'opterais bien pour le modèle enduro.
La partie électrique avance et normalement ce weekend ça devrait être fini si tout va bien.
Est-ce que quelqu'un aurait quelques photos d'une GS rotax; et plus particulièrement concernant le compteur et sa fixation sur le guidon ainsi que la boite à air?
Également si possible le câble HT de bougie car le miens me semble trop court et touche la culasse...
Ceci m'aiderait beaucoup les enfants!
@+
P.S. j'ai vu que ben vend des carbu Bing 84. C'est adaptable/utile sur GS 500?
re P.S. J'ai craqué pour la doc atelier sur KTM GS 350/500/600/K4 je vous tiens au jus!
En effet j'opterais bien pour le modèle enduro.
La partie électrique avance et normalement ce weekend ça devrait être fini si tout va bien.
Est-ce que quelqu'un aurait quelques photos d'une GS rotax; et plus particulièrement concernant le compteur et sa fixation sur le guidon ainsi que la boite à air?
Également si possible le câble HT de bougie car le miens me semble trop court et touche la culasse...
Ceci m'aiderait beaucoup les enfants!
@+
P.S. j'ai vu que ben vend des carbu Bing 84. C'est adaptable/utile sur GS 500?
re P.S. J'ai craqué pour la doc atelier sur KTM GS 350/500/600/K4 je vous tiens au jus!
Moto(s) : GS-500 XL600R Speed Triple Street Triple
sorry, moi, j'ai pas.... 🙄
ALLES ERDREICH IST ÖSTERREICH UNTERTAN
===============================
Il est beaucoup plus intéressant de regarder où l'on ne va pas pour la bonne raison que, là où l'on va, il sera toujours temps d'y regarder quand on y sera.
===============================================Moto(s) : Royal Enfile turboD
slt, tente un dell orto ,je vais me renseigné (silencieux alu) moins lourd et plus esthetique
quel tracteur excellent
Je te conseille aussi le dell orto
J avais la même bécane ,j'avais remplacé le bing par le dell orto car elle était indemarable . Après elle demara i t au quart et repondait mieux grâce la pompe de reprise
J avais la même bécane ,j'avais remplacé le bing par le dell orto car elle était indemarable . Après elle demara i t au quart et repondait mieux grâce la pompe de reprise
Moto(s) : ktm240gs pl
tu m'as demandé des tofs ,les voiçi :
le compteur et sa platine
le commodo cev 82/06
la bobine motoplat et l'arête du cadre ,bien que vu le moteur "cathédrale" que tu as sur ta machine je ne crois pas que tu puisses faire une comparaison qui t'apporte une aide .....
le compteur et sa platine
le commodo cev 82/06
la bobine motoplat et l'arête du cadre ,bien que vu le moteur "cathédrale" que tu as sur ta machine je ne crois pas que tu puisses faire une comparaison qui t'apporte une aide .....
Je suis en train de restaurer un 560 voir le post
Voici une adresse d'un site ou j'ai trouvé les part list mais tu les as déjà peut être?
dirtypart.com/manuals/ktm.asp
je vais suivre ton post avec attention
A plus Serge
Voici une adresse d'un site ou j'ai trouvé les part list mais tu les as déjà peut être?
dirtypart.com/manuals/ktm.asp
je vais suivre ton post avec attention
A plus Serge
Merci jp------> Je vais pouvoir me bricoler un support de compteur en me basant sur le tiens 😀
Je vais d'abord voir si le commodo que j'ai acheté fonctionne bien, si ce n'est pas le cas je prendrais un CEV: c'est rustique mais ça doit être cosataud!!
Salut Mapoule!
Merci pour ton lien! 👍 A première vue, je ne vois pas de GS 500 de 83 mais je vais prendre celui de 86 c'est ce qui se rapproche le +!
Je fonce éplucher ton post sur la 560!!
Salutations
Je vais d'abord voir si le commodo que j'ai acheté fonctionne bien, si ce n'est pas le cas je prendrais un CEV: c'est rustique mais ça doit être cosataud!!
Salut Mapoule!
Merci pour ton lien! 👍 A première vue, je ne vois pas de GS 500 de 83 mais je vais prendre celui de 86 c'est ce qui se rapproche le +!
Je fonce éplucher ton post sur la 560!!
Salutations
Moto(s) : GS-500 XL600R Speed Triple Street Triple
9 ans plus tard...
Hello. J'ai un silencieux que je suppute être de 500 GS trail. Pouvez-vous confirmer? Il est à vendre. Eric
Moto(s) : HVA 240 WR 1984
Salut Rico,
Sur le GV, je t'ai déjà confirmė que c'est un silencieux 500 ou 560 enduro. Accessoirement il pourrait m'intéresser, même s'il a été magouiller. En MP, combien tu en veux. 😀
Sur le GV, je t'ai déjà confirmė que c'est un silencieux 500 ou 560 enduro. Accessoirement il pourrait m'intéresser, même s'il a été magouiller. En MP, combien tu en veux. 😀
=============================================
Pourquoi faire simple quand on peut faire compliqué!!
(Maximes Shadoks) 😉
=============================================
Bonjour, j'ai eu cette moto, une superbe bécane 😍
Les seuls problèmes pour moi, les débattements cours 260 m/m ( pour les chemins de la haute Ardèche et Lozère ) ainsi que le freinage ( j'avais le disque Brembo en option, minable par rapport au double came ( même après avoir percé le disque et monté une durite aviation ).
J'avais un carburateur dellorto de 41 m/m à pompe de reprise et un pot alu First , çà marché d enfer, je me tapai les DR et Ténéré sur l'autoroute avec une pignon de 16 et couronne et pneus mixte ( avec roue et démultiplication rallye car elle avait fait le rallye de l'Atlas ( casse moteur dû à une trop grosse tension de la chaine lors d'une étape , carter cassé d'où un échange standard avant mon achat 😍.
Une de mes meilleure moto avant la 240 MX 1983 ( 125 YZ 1980 Beurk, 600 Rotax 1986 , 400 LC4 1996 et 200 EXC 2000 ) et bien après tout cela mon 175 GS de 1977 en cours de restauration 😍 😘
Moto(s) : KTM 175 GS 1977
11 mois plus tard...
Bonjours, c’est une 500gs de 1983 ?
Bonjours, pour ce qui est de la selle, l’origine est noir et marqué KTM derrière normalement. Fin c’est ce qu’un ancien qui roulait avec cette moto m’a dit. Sinon je ne peux pas trop t’aider, mais j’aimerais savoir si tu savais où je peux trouver ce manchon (photo ci dessous), car j’en trouve aucun mdr
Ce sujet ne contient pas encore de vidéo


















