CLIGNOTANTS 450 EXCF 2015 6DAYS
Sujet
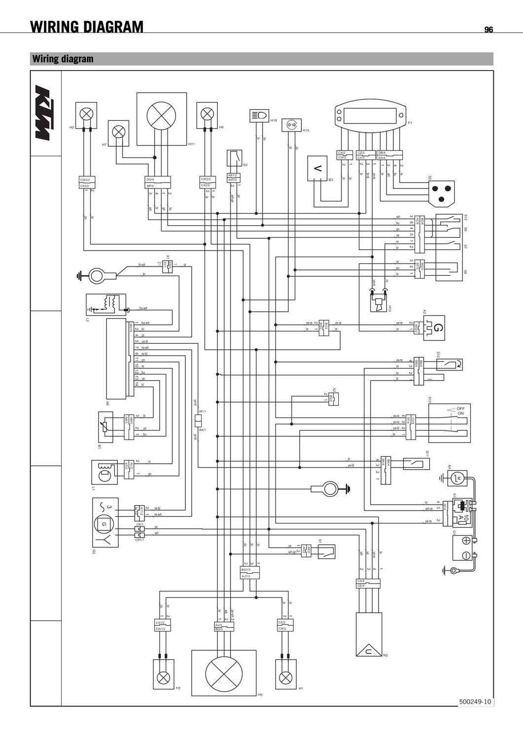
Bonjour,
J’ai un 450 exc de 2015 et je recherche la cosse du faisceau permettant le branchement de la centrale clignotante sauf que impossible d’y mettre la main dessus. (Le faisceau a été ouvert suite à une panne électrique)
Pourriez vous m’aiguiller si possible
Merci
J’ai un 450 exc de 2015 et je recherche la cosse du faisceau permettant le branchement de la centrale clignotante sauf que impossible d’y mettre la main dessus. (Le faisceau a été ouvert suite à une panne électrique)
Pourriez vous m’aiguiller si possible
Merci
=============================================
Pourquoi faire simple quand on peut faire compliqué!!
(Maximes Shadoks) 😉
=============================================
Ce sujet ne contient pas encore de vidéo

