KTM GS240 SERIE LIMITÉ BAJA
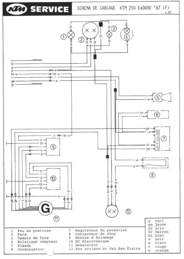
merci mais je parlais du schema de cablage electrique.
j'ai le manuel d'atelier .
j'ai le manuel d'atelier .
Moto(s) : Ktm gs240 ef 1986 et Honda VFR rc36/2 1994
🤔
Tu les veux sur un plateau? 😉
Les schémas sont dans les docs, Il faut feuilleter un peu. :/
Tu les veux sur un plateau? 😉
Les schémas sont dans les docs, Il faut feuilleter un peu. :/
=============================================
Pourquoi faire simple quand on peut faire compliqué!!
(Maximes Shadoks) 😉
=============================================
Loin de moi l’idée de tout avoir sur un plateau .
Ce n’est pas mon genre .
Je t’avoue que je cherche ce schéma de câblage depuis un moment et que malheureusement Google n’as pas été mon ami cette fois
Ce n’est pas mon genre .
Je t’avoue que je cherche ce schéma de câblage depuis un moment et que malheureusement Google n’as pas été mon ami cette fois
Moto(s) : Ktm gs240 ef 1986 et Honda VFR rc36/2 1994
=============================================
Pourquoi faire simple quand on peut faire compliqué!!
(Maximes Shadoks) 😉
=============================================
Et encore un grand merci .
Je vais aller potasser tout ça .
Tu bois quoi à l’apéro ??????
Je vais aller potasser tout ça .
Tu bois quoi à l’apéro ??????
Moto(s) : Ktm gs240 ef 1986 et Honda VFR rc36/2 1994
Bah, dans l'Est, on est assez portés bière. Et quand elles sont belges ou du ch'nord voir Ardennaise, c'est encore mieux.
Justement, confinage oblige, ma réserve est assez pauvre. J'ai toutefois une ardennaise au frais, vraiment pas mal.
Une bonne cure, de Hop's Cure, rien de tel pour voir la lumière. 😳
www.ardwen.fr/nos-bieres/#hopscure
Justement, confinage oblige, ma réserve est assez pauvre. J'ai toutefois une ardennaise au frais, vraiment pas mal.
Une bonne cure, de Hop's Cure, rien de tel pour voir la lumière. 😳
www.ardwen.fr/nos-bieres/#hopscure
=============================================
Pourquoi faire simple quand on peut faire compliqué!!
(Maximes Shadoks) 😉
=============================================
Ce sujet ne contient pas encore de vidéo
